Виды стабилизаторов постоянного тока
В практике применяется два вида стабилизаторов, работающих на постоянном токе — линейный и импульсный. Ниже рассмотрим каждый из типов более подробно.
Линейный
Такие устройства представляют собой делители напряжения. С одной стороны (на вход) аппарата приходит меняющееся U, после чего оно стабилизируется и поступает к выходу с плеча делителя. Поддержание U в требуемом диапазоне происходит путем изменения параметра R (сопротивления) одного из плеч делителя.
Если разница U на входе и выходе существенна, КПД линейного стабилизатора снижается из-за потерь на тепло. Вот почему регулировочный элемент монтируется на специальном радиаторе, имеющем достаточную площадь для эффективного охлаждения.
Линейные устройства бывают двух видов (по типу включения) — с последовательным и параллельным подключением нагрузки. Кроме того, они делятся на два типа — на параметрические и компенсационные.
В первом случае принцип действия построен на использовании участка вольтамперной характеристики, где сопротивление дифференциального типа минимально в большом диапазоне токов нагрузки.
Второй тип приборов (компенсационный) подразумевает наличие обратной связи, когда выходное U сравнивается с эталонным показателем. Далее берется разница, из которой и создается сигнал для подачи на элемент регулировки.
Импульсный
Особенность импульсных устройств заключается в подаче тока на элемент, аккумулирующий энергию (дроссель или емкость) путем создания кратковременных импульсов (формируются с помощью электронного ключа).
Пока упомянутый узел находится в закрытом состоянии, происходит передача напряжения на выход стабилизирующего аппарата. Использование дросселя в роли накопителя позволяет менять U на выходе.
Преимущество импульсной модели заключается в большом КПД, благодаря работе в режиме ключа. Из минусов стоит выделить сложность организации и наличие помех.
В зависимости от схемы и режима ключевого управления выделяется пять видов импульсных стабилизаторов — инвертирующий (изменение полярности на выходе), повышающий, понижающий, с функций понижения и повышения, а также универсальный аппарат (совмещает опции перечисленных выше моделей).
Выбираем вышивальную машину
Главная статья расходов на вышивание на машинке – это само вышивальное оборудование. Его стоимость может варьироваться от 600-700 у.е. до 30 тыс. у.е. и выше! Разумеется, дорогие варианты – это машины профессиональные, для промышленного текстильного производства. Покупать такую дорогую модель в самом начале своего карьерного пути – нецелесообразно и очень дорого. Зато прекрасно подойдет модель базового уровня, имеющая следующий набор функций:
- Большой набор различных строчек
- Регулировка длины и ширины стежка
- Встроенные готовые дизайны для вышивки + алфавиты (кириллица, латиница)
- Функция автоматического вдевания нити
- Базовая комплектация набора игл, шпулек, лапок, сервисных деталей (отвертки, щеточки для чистки)
- USB-разъем
Изображение 7. Вышивальная машинка Bernina Deco 330
Сама вышивальная машинка представляет собой некий гибрид швейной, вышивальной и оверлочной машинок. И именно на такой, базовой модели лучше всего остановиться начинающим мастерам вышивки – в более профессиональных моделях многообразие функций может просто запутать и сбить с толку.
Одна из самых популярных моделей для тех, кто начинает собственное дело по вышиванию на машинке – швейная машина с оверлоком BerninaDeco 330. Ее примерная стоимость – 1000 у.е. Можно также остановить свой выбор на более усовершенствованной модели этой серии, Bernina Deco 340. Ее покупка обойдется примерно в 1700 у.е. (изображение 7).
О возможностях модели Bernina Deco 330 и основных правилах ухода за ней – в видеоссылках:
Россия
Как правило, на этом же сайте, можно приобрести и все расходные материалы для вышивания: нитки, ножницы, пяльцы, и т.д. Это существенно экономит время мастеру и деньги на доставке.
Виды стабилизаторов
Широко примененяются в электронике два типа интегральных стабилизаторов:
- полупроводниковый (твердотельный);
- гибридно-плёночный (с элементами изготовленными из плёнок).

Полупроводниковые стабилизаторы, в свою очередь, подразделяются ещё на несколько групп:
- имеющие регулируемое напряжение на выходе — требуют подключения дополнительных элементов;
- обладающие фиксированным напряжением, подаваемым на выход – являются готовым к эксплуатации изделием, не требующим необходимости дополнительных включений в схему;
- двуполярные – используются для приборов, требующих двуполярного напряжения на выходе.
Что такое машинная вышивка
Машинная вышивка – это процесс создания узоров на ткани с помощью вышивальной или швейной машины. Узор наносится на основу, настраивается оборудование, в зависимости от типа, далее вышивается узор. При наличии качественных материалов и опыта вышивка получается прочной, ровной и требует меньше времени, чем ручной способ.
Есть два вида машин:
- свободно-ходовая;
- компьютерная.
Отличия в скорости выполнения работы, качестве стежка, а также возможностях прибора. Промышленные образцы занимают большое пространство, очень дорого стоят. Для домашнего рукоделия такая сверхсложная техника ни к чему.
На какой машинке планируете вышивку?
РучнаяАвтоматическая
Лучший гибридный стабилизатор напряжения
В гибридном стабилизаторе используется два вида преобразования электроэнергии. Электромеханическая конструкция дополняется преобразователями релейного типа. Реле срабатывает только в том случае, когда электромеханический прибор не способен выдать 220 В. Специалисты отметили одну разработку.
Hybrid СНВТ-6000/3
Рейтинг: 4.9

Отечественная разработка Hybrid СНВТ-6000/3 известной компании Энергия отличается возможностью подключения к силовой сети. Поэтому сфера деятельности агрегата очень широка, начиная с жилых домов и заканчивая промышленными площадками. При этом модель демонстрирует высокую точность выходного напряжения. К достоинствам аппарата эксперты относят отсутствие электромагнитных волн во время работы, которые могут создавать помехи другим приборам. Это качество ценят медицинские работники, а также специалисты в области контрольно-измерительной аппаратуры.
Стабилизатор прекрасно зарекомендовал себя в офисах с компьютерной техникой, он справляется и с работой кондиционеров. Модель заслуженно попадает в наш рейтинг.
Актуальность применения стабилизаторов дома, в промышленности и на даче
Пользу стабилизаторов напряжения в разных сферах трудно переоценить. С помощью такого оборудования удается сохранить бытовую технику дома или на даче, а также дорогостоящее оборудование в промышленном производстве. Но как определить необходимость покупки?
Первый шаг — измерение уровня U, позволяющее узнать верхний и нижний порог его показаний в сети. Если претензии к стабильности сети отсутствуют, и измеряемый параметр на выходе колеблется в небольшом диапазоне, в покупке нет необходимости.
К примеру, для сети 220В допускается отклонение 5% в одну и другую сторону. Это значит, что разрешенный диапазон от 209 до 231 Вольт.
Если выходное напряжение в процессе проверки «переваливает» за указанные выше параметры, без покупки стабилизатора не обойтись.
Бывают еще более сложные ситуации, когда U отклоняется на 10% в сторону повышения или снижения. Здесь не обойтись без защитного оборудования, которое будет «отсекать» питание в случае резкого отклонения параметра U от нормы.
Это тот случай, когда экономия может вылиться в крупные расходы, связанные с покупкой нового оборудования.
Лучшие релейные стабилизаторы напряжения на 5 кВт
Подключить несколько домашних электроприборов можно к релейным стабилизатором мощностью до 5 кВт. Пользователи используют эти модели для защиты компьютеров, холодильников и компьютерной техники. Вот несколько удачных изделий.
REXANT АСН-5000/1-Ц (5 кВт)
Рейтинг: 4.8
Стабилизатор имеет полезную мощность 5 кВт и «вытягивает» напряжение до нормального из диапазона 140-260 В. Если происходит резкий скачек в сети, время реакции составляет 7 мс, поэтому Ваш дорогой холодильник с электронным управлением или плазменный телевизор не успеют ничего «почувствовать». Точность стабилизации достигает 8%. Это означает, что из нужных 220 В прибор сможет выдать 202 или 238 при перепадах. Практика показывает, что большинство техники при таких показателях функционируют нормально и не уходят в защиту. Но габариты аппарата составляют 40х29х25.5 см, поэтому для него нужно достаточно места. Переносить 13 кг тоже не просто — лучше использовать его стационарно.
Производитель разрешает устанавливать стабилизатор в помещениях, где влажность воздуха не превышает 80%. Это может быть коридор, веранда, кладовка или кухня. В отличие от большинства конкурентов, здесь предусмотрено принудительное воздушное охлаждение, поэтому прибор дольше остается холодным и его можно эксплуатировать месяцами, не выключая.
- может работать при влажности воздуха 80%;
- есть цифровая индикация входящих и исходящих показателей;
- время срабатывания составляет 7 мс;
- корректно работает при 140-260 В.
- нельзя монтировать на стену — только напольная установка;
- громоздкий блок.
RUCELF SRWII-6000-L
Рейтинг: 4.7

Эффективным бытовым устройством является релейный стабилизатор RUCELF SRWII-6000-L. Модель попала на вторую строку нашего рейтинга за высокую активную мощность (5 кВт). Специалисты выделяют широкий диапазон входных напряжений (95-280 В), высокий КПД (98%), точность стабилизации (8%). Работу аппарата контролирует микропроцессор, благодаря большому дисплею следить за показаниями можно на расстоянии. Устройство монтируется на стену и охлаждается естественным способом.
Пользователи лестно отзываются о скорости срабатывания стабилизатора, мощности, четком циферблате. Аппарат не громко щелкает, поэтому не мешает отдыхать самым маленьким членам семьи. Также владельцы отмечают стильный внешний вид прибора. К недостаткам можно отнести высокую цену.
- высокая мощность;
- большой дисплей;
- широкий диапазон входных напряжений;
- тихая работа.
высокая цена.
РЕСАНТА ACH-5000/1-Ц
Рейтинг: 4.6

Высокой активной мощностью (5 кВт) обладает латвийский стабилизатор РЕСАНТА ACH-5000/1-Ц. Он эффективно выравнивает разброс напряжений от 140 до 260 В. Напольный прибор может работать с током, максимальная частота которого достигает 60 Гц. Аппарат защищает домашние электроприборы от помех, короткого замыкания и скачков напряжения. Время отклика составляет 7 мс, а точность стабилизации находится на уровне 8%. Эксперты отдали модели третье место за естественное охлаждение и вес (13 кг).
Потребители отмечают отличное соотношение цены и качества стабилизатора, надежную защиту домашних приборов от сбоев в электросети. Так как модель имеет релейную конструкцию, то с резкими скачками напряжения он не всегда справляется.
И так, что же нужно иметь для того, чтобы начать вышивальный бизнес дома
1 — Вышивальная машинка.
2 – Аксессуары для вышивальной машинки. На самых первых парах их не нужно много. Даже большие пяльцы не обязательны, так как вы можете разбивать дизайны на части и вышивать их стыкуя на изделии. Процесс конечно трудоемкий, в начале это будет вам очень хорошей практикой.
3 – Компьютер, лаптоп, ноутбук – называйте их как хотите, главное, чтобы вы на них могли скачивать дизайны для машинных вышивок. Некоторые вышивалки не могут быть подсоединены к лаптопам. Некоторые – слишком тяжелы, чтобы подносить их к компьютеру (или наоборот), поэтому нужна будет еще и флешка. Хорошо, если будет выход в интернет – для рекламы, получения знаний, изучения рынка сбыта, покупок материалов, дизайнов и т.д.
4 – Программное обеспечение для работы с дизайнами (чаще всего это будет конвертация). Не все программы, которые вам «впихивают» продавцы техники вам будут нужны, поэтому не торопитесь их покупать. В самом начале и бесплатных программ будет достаточно.
5 – Расходники: нитки, иголки, спреи-клеи, ножницы, стабилизаторы (разные по качеству, виду, плотности).
6 – Принтер. Иногда, особенно если вы начинающий вышивальщик, при запялке вам может понадобиться распечатанное изображение дизайна.
Как видите, несмотря на то, что мы коснулись каждого пункта лишь вскользь, связанных с ними моментов очень много. Для тех, кто серьезно подумывает над тем, как начать свой вышивальный бизнес дома, все вышесказанное должно направить на путь «правильного» размышления по организации своего дела.
А есть еще вопросы сервиса и претензий, домашних ноу-хау, рекламы и прочих аспектов, делающих жизнь домашнего вышивального бизнеса «интересней».
В продолжении этой статьи, выйдут следующие, рассказывающие о перечисленных темах подробнее.
Вот их краткие анонсы:
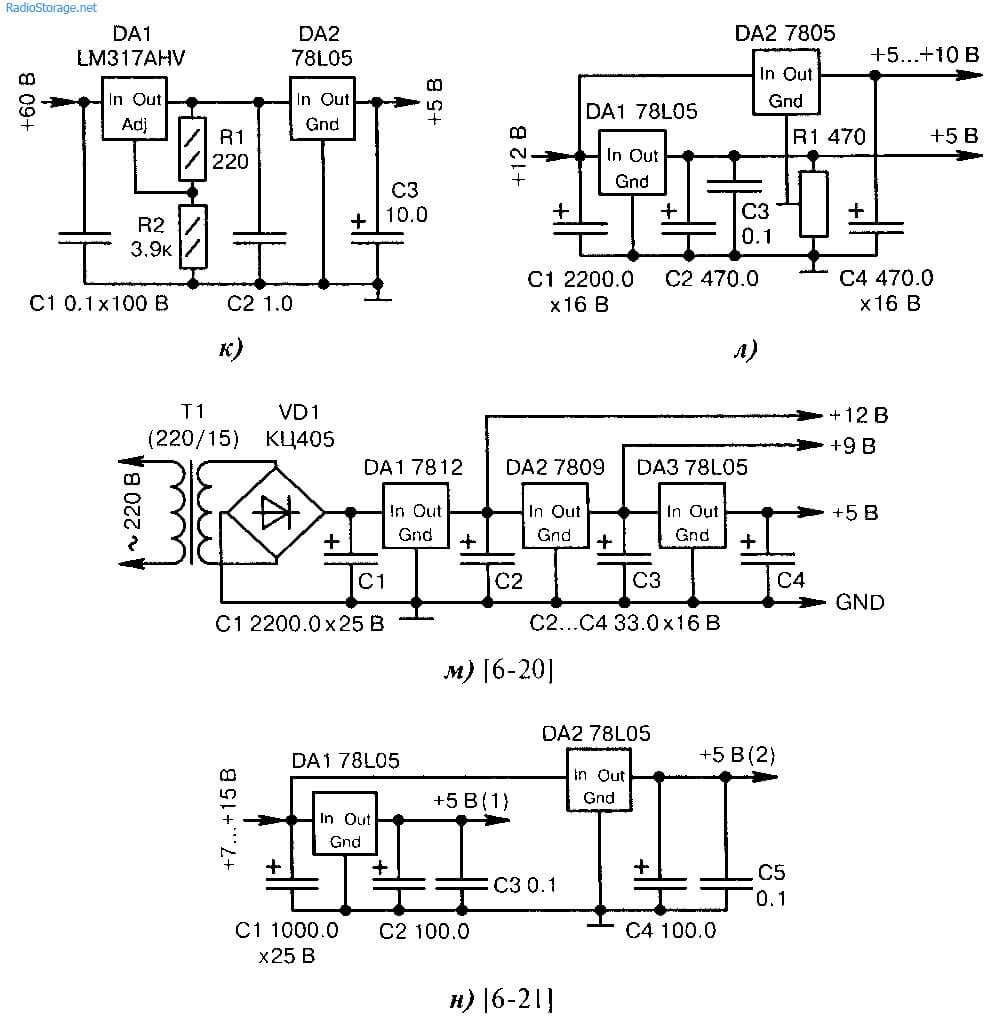
Стабилизатор напряжения 12 Вольт
В ситуациях, когда использование полноценного блока питания на 12 Вольт бессмысленно, гораздо проще понизить основное напряжение схемы локально в какой-то её части, используется интегральный стабилизатор напряжения 12 Вольт. Такие стабилизаторы производятся на основе отечественной серии КР142ЕН или популярных микросхемах линейки 78ХХ.
Такие стабилизаторы обеспечены защитами по току и перегреву, что делает блоки питания с их использованием практически неуязвимыми. Данные свойства делают стабилизатор полезным для целого ряда электронных устройств:
- бытовые электроприборы;
- измерительная, лабораторная техника;
- радиоэлектроника и пр.
Стабилизатор обладает такими характеристиками, как наличие внутренней системы терморегуляции, схемы защиты выходного транзистора, самозащита от импульсов коротких замыканий. Ток прибора на выходе равняется 1 А – 1,5 А, наибольшее значение напряжения 30 — 35 В.

Принцип работы вышивальных машинок
Вышивальные машинки работают по некоторому принципу, который и обуславливает их высокую эффективность и универсальность.
Сначала ткань натягивается и плотно фиксируется в пяльцах. Эти пяльцы перемещаются по двум осям при помощи специального механизма каретки.
Каретка управляется встроенным в вышивальную машинку компьютером. Также чип управляет проколами иголки, которые совершаются в соответствии с определенной программой. Соответствующий алгоритм заранее выбирает и запускает пользователь.
Процесс вышивания включает в себя несколько этапов:
- Файл с исходным дизайном вышивки переносится в вышивальную машинку удобным способом.
- Аппарат сразу же предложит установить пяльцы с определенными параметрами, а также заправить внутрь нити конкретных оттенков.
- Дизайн перед началом работы можно сдвинуть или перенесли в то положение, которое необходимо пользователю.
- Как только пользователь запустит процесс кнопкой «старт», на ткани начнет образовываться нужный рисунок при помощи вышивки.
Стоит отметить, что при использовании многоцветных дизайнов агрегат в определенный момент остановится и предложит сменить цвет нити. На этом же этапе можно без проблем срезать лишние нитки, если подобная функция не предусмотрена в самой машинке.
После завершения процесса вышивки можно освободить ткань от пяльцев и осмотреть итоговый результат. Чтобы зафиксировать рисунок, рекомендуется сразу же отгладить предмет.
Подбираем стабилизатор напряжения для дома и дачи?
При выборе стабилизирующего аппарата для дома и дачи первое, что стоит учесть — мощность оборудования
Для корректного выбора важно посчитать общую нагрузку бытовой техники, которая будет подключена к устройству
Также стоит учесть пусковую мощность некоторых аппаратов, к примеру, холодильника или станка (если он будет установлен). Перегружать стабилизатор нельзя, ведь он отключится от защиты и не запустится до устранения причины.
Не менее важный нюанс — диапазон напряжений на входе. Он должен быть больше, чем для аппаратов, применяемых в квартире. Чем меньше нижняя граница, тем лучше. На дачах или в частных домах бывает просадка U ниже допустимого уровня из-за применения сварочной техники или других устройств повышенной мощности.
Рекомендуется отдать предпочтение аппаратам с высокой точностью, стойкостью к нагрузкам и плавностью регулирования.
Кроме того, стоит брать устройства с низкой шумностью и способностью работать при условии низких температур. На даче или в доме часто монтируется индивидуальная система освещения, поэтому от качества стабилизатора зависит ее исправность и надежность работы.
Значение ИОН в схеме стабилизатора
Источник опорного напряжения является одним из ключевых элементов, поскольку выполняет задачу поддержания стабильного напряжения номинального значения на выходе при меняющихся значениях напряжения на входе. Простейшим вариантом этого источника является параметрический стабилизатор на стабилитроне. С их помощью можно получить напряжение от 2,5 В.
При необходимости получить меньшие значения опорного напряжения используются последовательные включения кремниевых диодов.
Также интегральные стабилизаторы могут использовать в качестве источника напряжение
эмиттерного перехода биполярных транзисторов.
Лучшие релейные стабилизаторы напряжения (мощность до 1 кВт)
Самыми доступными и простыми являются маломощные релейные стабилизаторы напряжения. Они надежны в работе, ремонтопригодны, но издают щелкающие звуки во время работы. В поле зрения экспертов попали следующие модели.
RUCELF КОТЁЛ-600 (0.6 кВт)
Рейтинг: 4.8

Стабилизатор ориентирован для использования с оборудованием, характеристика активной мощности которого не превышает 600 Вт. Защитное устройство способно отключать цепь при коротком замыкании, перегреве или повышенных скачках. Регулировка входных показателей до нормальных значений осуществляется по 4 ступеням. Время реакции на перепад составляет всего 10 мс, а значит дорогостоящая техника (ПК, телевизор, машинка-автомат) не успеет сгореть. В отзывах владельцы отмечают прочность металлического корпуса, простое управление и надежность прибора.
Мы отметили стабилизатор. как лучший ввиду возможности работать при 130 В. Это очень низкий показатель, с которого смогут «вытянуть» нормальное напряжение далеко не все аналоги. Рекомендуем модель для очень слабых линий электропередач (удаленные поселки, дачи), или если Ваш сосед регулярно работает сваркой, чем садит всю сеть.
- есть цифровая индикация вольтметра;
- корректно работает при 0º С;
- расчетный срок службы 10 лет;
- точность стабилизации составляет 8%;
- время реагирования 10 мс.
высокая стоимость.
РЕСАНТА LUX АСН-1000Н/1-Ц
Рейтинг: 4.7

Стабильным спросом на отечественном рынке может похвастаться стабилизатор РЕСАНТА LUX АСН-1000Н/1-Ц. Модель пользуется популярностью за простоту конструкции и приличную активную мощность (1 кВт). Мало кто из бюджетных аппаратов может конкурировать с изделием из Латвии. Входное напряжение может колебаться в пределах 140-260 В, производитель оснастил стабилизатор защитой от перегрева и помех. Изделие чаще всего приобретается для домашнего пользования, небольшая погрешность (8%) не должна смущать покупателей.
Пользователи отмечают надежность стабилизатора, ценовую доступность, эффективное сглаживание перепадов напряжения в сети. К недостаткам следует отнести неприятный запах пластика в первые дни работы.
- качественная сборка;
- две розетки;
- доступная цена;
- эффективное сглаживание скачков напряжения.
запах пластика.
Powerman AVS 1000D
Рейтинг: 4.7

От целого набора неприятностей в бытовой сети может уберечь дорогостоящие электрические приборы стабилизатор Powerman AVS 1000D. Это пониженное или повышенное напряжение (120-260 В), импульсные всплески напряжения, короткое замыкание. При отключении сети стандартная задержка подключения составляет 6 с, а увеличенная отсрочка достигает 3 минут. Аппарат имеет высокий КПД (98%), небольшую погрешность (8%), хорошую мощность (800 Вт)
При этом прибор реализуется по самой низкой цене, что привлекает внимание потенциальных покупателей.
Владельцы аппарата отмечают компактность и легкость, низкую цену и надежную работу. Из недостатков отмечается громкое щелканье реле, что ограничивает применение в жилых помещениях.
- низкая цена;
- компактность;
- высокий КПД;
- надежность.
- громкое щелканье реле;
- мерцание лампочек накаливания при переключении ключей.
SVEN AVR SLIM 500 LCD (0.4 кВт)
Рейтинг: 4.7

Релейный стабилизатор обладает активной мощностью 400 Вт, но кратковременно способен поддержать работоспособность приборов, которые потребляют до 500 Вт. Время отклика здесь аналогично лидеру категории и составляет 10 мс. Если напряжение скачет очень часто, то можно настроить задержку запуска, которая позволит чувствительной электронике потребителей работать корректно и включаться не сразу после возобновления электроэнергии. Кроме защиты от перегрева и замыкания, в аппарате снижена чувствительность к помехам. На небольшом дисплее отображаются вольты как входящего тока, так и исходящего, позволяющие видеть, насколько эффективно работает стабилизатор.
Эксперты выделили модель за очень тонкий корпус, выполненный в современном Slim-стиле. Его габариты составляют 29х17.5х6 см. Прибор выглядит очень аккуратно и его можно смело размещать на кухне или в прихожей, не боясь испортить интерьер.
Основные виды стабилизаторов для машинной вышивки

Если вы увлекаетесь машинной вышивкой, то наверняка знаете, какую важную роль при создании качественных мотивов играет правильный подбор стабилизаторов, которые не только помогают добиться красивых стабильных вышивок, но и позволяют вышивать даже сложные дизайны на самых капризных материалах, таких как велюр, трикотаж или тонкий шелк. Давайте подробнее рассмотрим основные виды вышивальных стабилизаторов и способы их применения.
Что такое стабилизаторы для вышивки?
При создании машинных вышивок, аппликаций или кружев часто используют вышивальные стабилизаторы.

Рис. 1. Вышивка на бязи с использованием стабилизатора
Стабилизатор — это, как следует из названия, вспомогательный материал, который используется в качестве прокладочного материала, который подкладывается или приклеивается под основной материал для уплотнения и стабилизации ткани. Это делается для того, чтобы материал не морщинил и не растягивался в процессе заправки в пяльцы, а также в дальнейшем — при вышивке.
Какие виды стабилизаторов бывают?
Условно стабилизаторы подразделяются на три группы — отрывные, водорастворимые и отрезные (к ним же относится и термоплавящийся). Названия групп формируются по способу удаления стабилизатора после вышивки.
Отрывные стабилизаторы представляют собой нетканое хлопковое полотно. Такие стабилизаторы очень рыхлые и их легко аккуратно оборвать по краю вышивки. Бывают белого или черного цветов.

Рис. 2. Удаление отрывного стабилизатора после вышивки
Подходящий стабилизатор подбирается в соответствии с форматом работ и свойствами материала. Для вышивки гладью с плотным застилом используют стабилизатор Super Strong. Это плотное нетканое полотно, которое заправляется в пяльцы вместе с основным материалом.

Рис. 3. Стабилизатор Super Strong от Madeira
Клеевые стабилизаторы прекрасно подходят для вышивки на эластичных тканях и трикотажной одежде — футболках, майках, худи и т. п. Клеевой слой стабилизирует материал и не позволяет ему растягиваться или смещаться во время вышивки.

Рис. 4. Вышивка на вязаном трикотаже с использованием стабилизатора Cotton Stable
Стабилизаторы без клеевого слоя, например, Cotton Soft производства компании Madeira, могут использоваться на деликатных тканях и при вышивке на детской одежде.

Рис. 5. Вышивка на шелке с использование стабилизатора Cotton Soft
Отрезные стабилизаторы с клеевым покрытием (Super Stable) и без клеевого покрытия (Super Strong) используются для вышивки с высокой плотностью стежков и большим количеством мелких деталей. После завершения работ излишки стабилизатора удаляются при помощи ножниц.

Рис. 6. Удаление отрезного стабилизатора Cotton Super Stable
Термоплавящийся стабилизатор Super Film — настоящая находка для тканей, которые нежелательно мочить в воде. По виду он представляет собой прозрачную перфорированную пленку и удаляется утюгом при утюжке на высоких температурах. Используйте его для вышивки на бархате, велюре, муаре и т. п.

Рис. 7. Термоплавящийся стабилизатор Super Film
Водорастворимые стабилизаторы заслуживают отдельного внимания. Они бывают в виде прозрачной пленки, например Avalon Film и Avalon Ultra. Такие стабилизаторы подходят практически для всех видов тканей, для вышивания на тканях с ворсистой структурой, трикотажном полотне и даже для специальных техник лоскутного шитья «Сэндвич» и «Пицца». Для деликатных материалов используют Avalon Fix, — он имеет липкое клеевое покрытие, которое легко сцепляется с материалом, удерживая его во время вышивки.

Рис. 8. Стабилизатор Avalon Fix
Для создания ажурных вышивок или вышивания на тонких тканях идеально подойдет плотный водорастворимый стабилизатор Avalon Plus. По виду он напоминает тонкий флизелин. Его можно применять как сверху, так и снизу ткани, а также создавать на нем ажурные вышивки без использования ткани.

Рис. 9. Вышивка на двух слоях водорастворимого стабилизатора Avalon Plus
После завершения работ просто опустите вышивку в воду, и стабилизатор полностью растворится.

Рис. 10. Удаление водорастворимого стабилизатора Avalon Plus водой
Как правильно подобрать стабилизатор для вышивальных работ?
Чтобы разобраться во всем многообразии стабилизаторов, можно воспользоваться стартовым набором «Stаrter Set» от Madeira. Набор содержит все основные виды стабилизаторов, и с его помощью можно на практике самостоятельно поработать с разными видами стабилизаторов, оценить их свойства и совместимость с материалами различной плотности.

Рис. 11. Набор стабилизаторов для вышивки «Starter Set»
В таблицу ниже сведены основные виды стабилизаторов, их состав и область применения, а также способ соединения стабилизатора с материалом.
Как начать вышивальный бизнес дома
Например: Вы можете «продавать» свои услуги, как мастера декоратора верхней одежды. Это будет один вид специализации. Другой вид будет включать в себя работу с шевронами. Третий – с корпоративной эмблематикой. Четвертый будет основан не на продаже услуги, а на продаже самого товара (например: сшитые и вышитые вами крестильные принадлежности).
Как видите, выбор большой. Однако, чтобы быть конкурентоспособным (качественным, быстрым в исполнении и т.д.) необходима специализация, область работы, ниша.
Почему? Потому, что именно специализация будет диктовать и ваши основные затраты (на технику, оборудование, программное обеспечение, виды расходников). Обычно специализация – это результат достаточно большого опыта работы. Ведь, не пробуя, не найдешь наиболее выгодную для бизнеса нишу.
Знание рынка сбыта и конкуренции
Говоря о специализации, мы ни в коем случае не призываем заниматься лишь только одной сферой машинной вышивки. Нужно лишь постараться примерно определить направление своего движения, и, как говориться, «плясать от него». Факторы, влияющие на определение – это, обычно, спрос и конкуренция. Вам просто необходимо будет ознакомиться с особенностями спроса и конкуренции в вашем регионе.
Для начала о конкурентах. Конкуренцию промышленным вышивальным машинкам бытовые домашние вышивалочки составить просто не в состоянии. «Домашняя» продукция априори будет стоить дороже, ведь промышленные машины направлены на массовость. В массовости, однако, не только их сила, но и их недостаток. Им просто будет не выгодно заниматься единичными заказами. Зачастую этим занимается именно домашний вышивальный бизнес. Поэтому ваши конкуренты на данном этапе – это такие же как и вы «частники».
Изучите их по объявлениям и отзывам. Получив картину того, что и кто есть на рынке машинной вышивки в вашем регионе. Сделав это, организуйте свое дело так, чтобы достойно и с выгодой для себя представить свой товар «миру».
Пример: Вы – мама ребенка, который посещает танцевальную школу. Декорирование танцевальных костюмов – одна из самых частых сфер применения машинной вышивки. Есть потенциал делового развития? Конечно есть. Достаточно заинтересовать других мам или директоров клубов (школ) примерами своей работы.
Для успешной работы в этом направлении вам не понадобятся ни особенные пяльцы, ни оборудование для создания шевронов. В принципе и на домашней бытовой одно игольной машине можно прекрасно вышивать такого рода изделия.
Оборудование и расходники
В этот раздел входит все: от «хорошей» вышивальной машинки до времени, затрачиваемого на обрезку протяжек при вышивке дизайна. Для того, чтобы начать вышивальный бизнес дома и не закрыть его через несколько месяцев, необходимо с «открытыми глазами» подойти к каждой такой составляющей. Что есть «хорошая» вышивальная или швейно-вышивальная машина? Будет ли одна и та же машина «хороша» для всех сфер вышивального бизнеса? Где брать расходники? В статье о том, как начать вышивальный бизнес дома мы говорим об этих моментах лишь вкратце, для создания общей картины. В дальнейших статьях цикла каждый пункт будет описан подробно.

Как начать вышивальный бизнес дома






























